电能质量综合治理装置(SPQM)


性能特点:
- 三级保护:装置功率回路具有us级高速保护、硬连锁us级快速保护、组合逻辑保护等共计60余项。
- 多级防护:装置主回路配置半导体级快速防护,端口均配置有可经受±15kV的防护电路等。
- 自动脱网:装置有自动并网和脱网能力,当超出装置安全运行范围时,会执行自动脱网保护。
- 元件安全:装置选用在高谐波环境不易击穿、不会起火的电子及电气元件。
- 快速响应:采用高速DSP+CPLD器件,闭环响应速度高达50us,保证了系统的快速性及精准度。
- 洁净输出:装置采用多相矢量分解算法,主回路选用高磁导材料铁芯,确保电能输出无杂波。
- 高效能比:装置整机采用低功耗设计,额定负载情况下,装置效率高达97.5%。
- 宽频锁相:采用宽动态范围锁相技术,确保在45Hz~55Hz的电网频率变化范围的稳定工作。
- 相序自适应:装置可依相序调整测量与控制通道的对应关系,在接线失误时依然可以调整到正常工作状态。
应用行业:
广泛应用于国家电网、地铁、化工、城建、医院、工矿等众多行业领域。
产品简介
电能质量综合治理装置同时具备治理谐波、补偿无功、调节三相不平衡的功能,而且能根据需要设置不同的目标为补偿优先级的电能质量治理装置。
产品功能
- 五种功能:静止无功补偿、动态谐波滤除、三相不平衡治理、零序电流消除、短时闪断治理等。
- 七种模式:自适应、复合功能、无功补偿、动态滤波、三相不平衡、零序电流消除、短时闪断。
- 静止无功补偿功能:可连续平滑无阶梯精细补偿感性无功和容性无功,可跟踪功率因数至0.999,设置分辨率0.001。
- 动态谐波滤除功能:可同时滤除2~61次谐波,可组合滤波或指定单一次数滤波,滤波有效性达97%以上。
- 三相不平衡治理功能:可连续平滑无阶梯调整三相电流,调整后三相电流相差小于3%。
- 零序电流消除功能:可实时测量相电流及零序电流,调整输出消除零序电流至相线电流3%以内。
- 短时闪断治理功能:可支撑10个周波内深度大于70%的短时闪断现象,可通过加装储能辅机延长闪断支撑时间及深度。
- 自动诊断:装置有开机自检、重启条件判断、运行过程状态自诊断功能,在恶劣环境下装置会自动降额以实施保护策略。
- 容量配置:50~600QA,或并机后的更大容量。
- 通信功能:支持RS485、WiFi、ModBus、CANBus等工业现场总线。
- 监控方式:知汇电能监控平台、知汇能效监控平台,支持其他监控平台定制软件。
- 安装方式:具有模组和机柜两种产品形态,可机架式安装、壁挂式安装、机柜式安装等形式。
- 环境要求:运行温度:-10℃~55℃;相对湿度:5%~95%,无凝露。
治理方案
- 1、卓越的补偿性能
- 多种补偿模式,优先谐波补偿,兼顾无功补偿; 最高滤波次数为51次,谐波能力大于97%;
- 全范围无功补偿,提高功率因数; 三电平主电路,更低功耗、更高效率 ;全响应时间小于10ms,控制快速,有利暂态稳定性的提高。
- 2、完善的设备和系统保护
- 设备外部电气故障保护,包括母线短路、电压过欠压、过欠频、相序错误、电流反序等
- 设备内部故障保护,包括过流保护、IGBT过热保护等
- 工作环境超限自动降容
- 软件及硬件限流
- 谐振躲避,自动远离系统谐振点
- 3、人性化的人机交互体验
- 人机交互4.3英寸液晶触摸屏,便捷直观;
- 通过图形化显示界面,用户可清晰了解补偿前后系统波形图、谐波频谱图、
- THDi、THDu、电流有效值、功率因数等系统的电能质量改善情况
- 4、灵活的应用方案
- 模块化设计,方便扩展,最多16个模块并联
- 机架式或壁挂式两种模块,适应多种安装环境
- 三相三线、三相四线兼容,冗余N线接线端子,最大限度适应现场环境
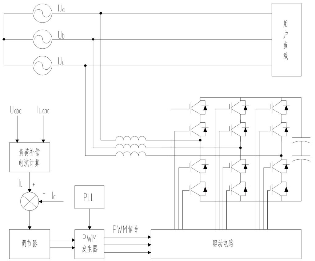
工作原理

选型说明

产品列表

技术参数

应用电气图例
全部配置电能治理装置图例

电能治理装置和电容补偿混合配置图例

产品尺寸图

